-
LGB型螺桿真空泵
螺桿真空泵工作原理圖?LGB型螺桿真空泵使用范圍LGB型螺桿真空泵,是利用一對螺桿,在泵殼中作同步高速反向旋轉而產生的吸氣和排氣作用的抽氣設備,由于螺桿與螺桿之間都有一定的間隙,因此泵工作時,相互之間無摩擦,運轉平穩,噪音低,工作腔無需潤滑油
-
J2SK、JSK、J2BE閉式循環機組
使用范圍J2SK、JSK、J2BE 閉式循環機組包括:真空泵、氣液分離器、換熱器、循環泵、控制系統等附件。由于可以采用除水以外的其他工作液(例如乙二醇、變壓器油等飽和氣壓比水低的液體)。所以可以有效地增加真空泵的使用范圍;
-
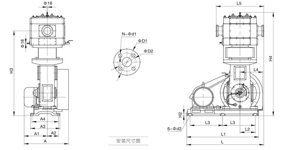
JZJW羅茨立式無油往復泵機組系列
使用范圍JZJW型羅茨—立式無油往復泵機組是以ZJ型羅茨泵為主泵,以WLW型立式無油往復泵為前級泵串連而成。克服了WLW型真空泵限壓力低,在一定壓力下抽氣速率低的缺點,同時又保留ZJ型羅茨泵工作迅速、有較大抽氣速率的優點。








