水環式真空泵的原理說明
水環式真空泵(簡稱水環泵)是一種粗真空泵,它所能獲得的限壓力,對于單級泵為4~8kPa:對于雙泵為2~4kPa。水環泵在石油、化工、機械、礦山、輕工、造紙、動力、冶金、醫藥和食品等工業及市政與農業等部門的許多工藝過程中,如真空過濾、真空送料、真空脫氣,真空蒸發,真空濃縮和真空回潮等、得到了廣泛的應用,由于水環泵壓縮氣體的過程是等溫的,故可抽除易燃、易爆的氣體,此外還可抽除含塵,含水的氣體,因此,水環泵的應用日益增大。
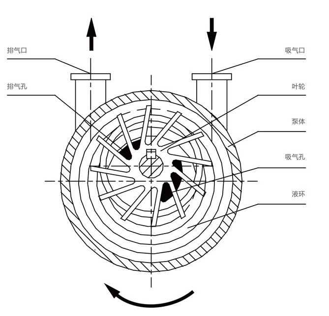
如圖為水環泵的工作原理示意圖,水環泵是由葉輪、泵體、吸排氣盤、水在泵體內壁形
成的水環、吸氣口、排氣口、輔助排氣閥等組成的。
葉輪被偏心的安裝在泵體中,當葉輪按圖示方向旋轉時,進入水環泵泵體的水被葉輪拋向四周,由于離心力的作用,水形成了一個與泵腔形狀相似的等厚度的封閉的水環。水環的上部內表面恰好與葉輪輪轂相切,水環的下部內表面剛好與葉片端接觸(實際上,葉片在水環內有一定的插入深度)。此時,葉輪輪轂與水環之間形成了一個月牙形空間,而這一空間又被葉輪分成與葉片數目相等的若干個小腔。如果以葉輪的上部0為起點,那么葉輪在旋轉前180時,小腔的容積逐漸由小變大,壓強不斷的降低,且與吸在排氣盤上的吸氣口相通,當小腔空間內的壓強低于被抽容器內的壓強,根據氣體壓強平衡的原理,被抽的氣體不斷地被抽進小腔,此時正處于吸氣過程。當吸氣完成時與吸氣口隔絕,小腔的客積正逐漸減小,壓力不斷地增大,此時正處于壓縮過程,當壓縮的氣體提前達到排氣壓力時,從輔助排氣閥提前排氣。而與排氣口相通的小腔的容積進一步地減小壓強進一步的升高,當氣體的壓強大于排氣壓強時,被壓縮的氣體從排氣口被排出,在泵的連續運轉過程中,不斷地進行著吸氣、壓縮、排氣過程,從而達到連續抽氣的目的。
在水環泵中,輔助排氣閥是一種特殊結構,一般采用橡皮球閥,它的作用是消除泵在運轉過程中產生的過壓縮與壓縮不足的現象。這兩種現象都會引起過多的功率消耗。因為水環泵沒有直接的排氣閥,而且排氣壓力始終是固定的,水環泵的壓縮比決定于進氣口的終止位置和排氣□的起始位置,然而這兩個位置是固定不變的,因而不適應吸入壓力變化的需要。為了解決這個問題,一般在排氣口下方設置橡皮球閥,以便當泵腔內過早達到排氣壓力時,球閥自動開啟。氣體排出,消除了過壓縮現象。一般在設計水環泵時都以吸入壓力來確定壓縮比,以此來確定排氣口的起始位置,這樣就解決了壓縮不足的現象。

